咨询热线:华北区域:
李经理 15343445592
华南区域:
冯经理 18026777082
华东区域:
文经理 13544971592
华中区域:
叶经理 18127585813
技术支持:
叶工 13501587940

一、产品简介
IP68超声波水位计针对潮湿现场,采用完全密封方式。内部植入蓝牙芯片,可通过手机APP调试设备或查看数据。根据现场环境,多种量程范围可进行选择。
二、测量原理
距离测量过程中,超声波信号由超声波探头发出,经液体或其他固态介质反射后折回,由同一个探头接收,测量超声波发射到接收的时间差,从而实现物位的测量。声波传输距离 L与声速v和声波传输时间t的关系可用公式表示:
超声波测距的算式
L:超声波探头距所测料面距离。单位:m;
v:经温度补偿后的声速值。单位:m/s;
t:测量范围内声波的运行时间。单位:s
三、产品特点
1.防护等级:IP68
2.宽输入电压,10VDC~28VDC
3.两种输出方式可选:RS485、4~20mA
4.可配置,内置BLE蓝牙,可通过手机APP实现参数读取及配置
四、应用环境
下水道窨井液位监测、水库以及自然河道水位监测等环境。
五、技术规格
1.技术参数

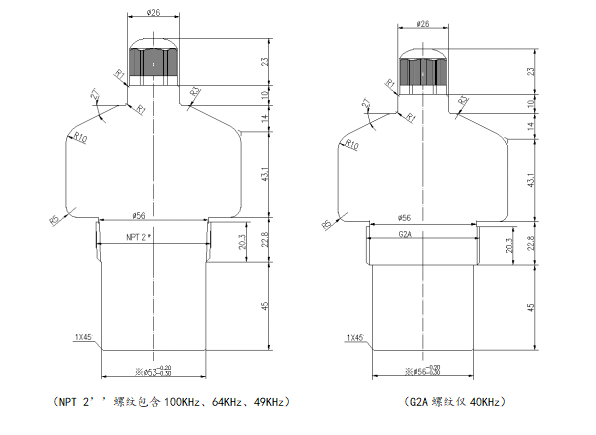
2.结构尺寸

3.实物图片
六、安装说明
①超声波传感器安装时发射面应垂直于被测物体;
②电源线不要接反,接反了会导致内部电路烧毁;
③供电电源不能供错,如果供错了,会烧毁内部电路。
④4-20ma输出接线不能接反,接反会导致没有信号。
⑤RS485输出接线不能接反,接反了会导致485输出乱码或者空白。
⑥超声波传感器周围一定范围内不能有任何障碍物,具体请咨询公司技术人员。
⑦本设备防护等级是IP68,可以浸泡在水中,等水退下去,最高水位低于盲区就可以正常测距了。
更多资料咨询,请联系我司人员,谢谢!
联系方式:
华北区域:李经理 15343445592
华南区域:冯经理 18026777082
华东区域:文经理 13544971592
华中区域:叶经理 18127585813
技术支持:叶工 13501587940
邮箱:wenlan@szbadens.com
地址:广东省深圳市宝安区西乡街道湾区人工智能产业园B栋410
